 |
|
Aktuelle Zeit: Mo 4. Mai 2026, 16:35
|
Unbeantwortete Themen | Aktive Themen
|
Seite 1 von 1
|
[ 13 Beiträge ] |
|
MGF Hinterachsmod - verrückte Idee?
| Autor |
Nachricht |
|
Mykel
Registriert: So 9. Jan 2011, 09:18 Beiträge: 6636 Wohnort: Schwalmtal (Niederrhein)
|
 MGF Hinterachsmod - verrückte Idee?
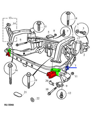
Liebe Leute, im direkten Vergleich zwischen MG F und TF ist mir beim F die Hinterachse doch etwas zu schwammig. Zwar sind CWs verbaut, aber ich denke mal, dass da einiges an der Grundkonstruktion mit den vielen dicken Gummibuchsen liegt, die zu viel Spiel haben. Nun könnte man ja Polybushes verbauen, aber ich dachte, überleg doch mal was anderes, und packe das Übel bei der Wurzel. Auf der anderen Seite gefällt mir das Hydragas-Fahrwerk vom Komfort her eben auch viel besser. Also kam die Idee, doch einfach das beste beider Welten zu verbinden, also die Längslenkerkonstruktion vom TF (unterer Teil der Aufhängung) mit der Hydragasdose oben. Bei Martin Smith habe ich mir mal beide Hilfsrahmen in nackig ansehen und vergleichen können, so schwierig sollte das gar nicht sein. Ich hab das auch mal mit Andy Phillips (Scarlet Fever) besprochen, der sagte auch, das sollte eigentlich gehen. Dateianhang:
Dateikommentar: Zeichnung MGF-Hilfsrahmen
zeichnung.jpg [ 76.99 KiB | 13038-mal betrachtet ]
Im Prinzip bedeutet dies, den unteren Querlenker und die Zugstange der MG F-Aufhängung sowie die Radnabe zu entfernen. Dann müssten am Hilfsrahmen die Aufnahmen der Zugstangen (rot in der Zeichnung) abgeflext werden. Die Aufnahmen des TF-Längslenkers werden an den vorderen Befestigungspunkten der Motorträger mit verschraubt (grün). Das ist also schon vorhanden. Die unteren Spurstangen ersetzen quasi den bisherigen Querlenker, so wie es aussieht sind die Befestigungspunkte hier auch identisch (blaue Pfeile). Soweit - so gut. Die oberen Querlenker vom MG F würden bleiben, genau wie auch der Stabilisator, die Stoßdämpfer und die Hydragaseinheiten. In die Radnabe müssten dann natürlich oben das flache Traggelenk vom MG F in die TF-Nabe reingeschraubt werden, damit die Distanz wieder passt. Bleiben noch die hinteren Spurstangen, die beim TF ja länger und anders aufgehängt sind. Da gibt es nun die Frage: Entweder man verwendet die kurzen Spurstangen vom MG F an den originalen Punkten am Hilfsrahmen weiter oder man entfernt beim MG F-Rahmen die hintere untere Querstrebe samt Wagenheberaufnahme (gelb im folgenden Bild): Dateianhang:
Dateikommentar: MGF-Hilfsrahmen
mgf-hr.jpg [ 112.31 KiB | 13038-mal betrachtet ]
und schweißt dafür das entsprechende Teil vom TF-Rahmen ein, das mit der Mittel-Befestigung (auch gelb in diesem Bild): Dateianhang:
Dateikommentar: TF Hilfsrahmen
tf-hr.jpg [ 108.92 KiB | 13038-mal betrachtet ]
Die Frage ist nun, ob die langen Spurstangen unbedingt nötig sind, z.B. weil man mit den kurzen Stangen dann wieder zu viel Schwammigkeit produziert. Zum Beispiel, weil die beim Einfedern eben durch den kleineren Radius die Spur zu stark verstellen. Was meint die Technik-Brigade dazu?
_________________ MGF VVC, Flame Red, LHD, 4.4.1997 TF 135 Monogram Spectre, RHD, 18.6.2004 ZR 160 3-Türer, Solar Red, LPG, LHD, 21.8.2001 Midget Mk3 RWA, Blaze Red, LHD, 12/1972
|
| Fr 24. Mai 2013, 11:49 |
|
 |
|
MIO
Registriert: Mi 28. Mär 2012, 03:40 Beiträge: 370 Wohnort: Karlsruhe (Basis)
|
 Re: MGF Hinterachsmod - verrückte Idee?
Was ist das denn für ein geiles Projekt. Mykel hat geschrieben: Was meint die Technik-Brigade dazu? Ich frag mich allerdings auch, was der TÜV-Onkel dazu meint.
_________________ MGF VVC Bj 98, short knuckles, und ne Delle hinten rechts von nem Leitpfosten MAGGIE (MG TF 135, 2003, RHD, X-power grey, SP2, chrome pack)
|
| Fr 24. Mai 2013, 15:52 |
|
 |
|
Joezapp
Registriert: Di 24. Jul 2012, 11:26 Beiträge: 2146 Wohnort: Wien
|
 Re: MGF Hinterachsmod - verrückte Idee?
...mein Onkel heißt Maches! 
_________________ Gruß Sepp
MGF 1,8 "die Kleine" mit jeder Menge Mods, kann sie gar nicht aufzählen...und natürlich selbst fertiggebaut. Hört jetzt auf den Namen "MGINE" ...und eine HD WLA 750...ein wenig modifiziert ...und jetzt ein Jaguar MK2 240
|
| Fr 24. Mai 2013, 16:18 |
|
 |
|
borderhai
Registriert: Do 12. Jan 2012, 01:51 Beiträge: 656 Wohnort: 59302 Oelde
|
 Re: MGF Hinterachsmod - verrückte Idee?
Der TÜV Onkel wird sagen, das wird ein ganz neues Auto und wird ein" Mykel F" werden. Und es werden alle Instanzen durchlaufen werden müssen.
_________________ Lieber im Roadster sitzen als im Stau stehen
|
| Fr 24. Mai 2013, 16:26 |
|
 |
|
MG 850
Registriert: Mo 22. Dez 2008, 15:39 Beiträge: 530 Wohnort: Mainz
|
 Re: MGF Hinterachsmod - verrückte Idee?
Achtung! Meines Wissens sind Schweissarbeiten am Hilfsrahmen nicht zulaessig, da sich die Molekulardichte von Stahl beim Schweissen negativ veraendert, meine ich mal gehoert zu haben. Der Tuev nimmt das nicht ab!
_________________ Ich will immer Alles selber machen! Natürlich nur am "F-chen"
|
| Fr 24. Mai 2013, 16:31 |
|
 |
|
Mykel
Registriert: So 9. Jan 2011, 09:18 Beiträge: 6636 Wohnort: Schwalmtal (Niederrhein)
|
 Re: MGF Hinterachsmod - verrückte Idee?
Das war ja wieder klar. Man stellt eine Frage nach der technischen Machbarkeit, und es kommen sofort wieder die obrigkeitshörigen, treu deutschen TÜV-Alarme Danach hatte ich nicht gefragt  Wer weiß denn, ob es überhaupt um ein Straßenfahrzeug geht? Vielleicht ist's ja ein Track Racer 
_________________ MGF VVC, Flame Red, LHD, 4.4.1997 TF 135 Monogram Spectre, RHD, 18.6.2004 ZR 160 3-Türer, Solar Red, LPG, LHD, 21.8.2001 Midget Mk3 RWA, Blaze Red, LHD, 12/1972
|
| Fr 24. Mai 2013, 16:53 |
|
 |
|
Gussy
Registriert: Mi 22. Feb 2012, 21:22 Beiträge: 341
|
 Re: MGF Hinterachsmod - verrückte Idee?
Wenn man es ordentlich macht merkt es kein Prüfer der Welt. Außer der fährt selber einen. 
|
| Fr 24. Mai 2013, 17:28 |
|
 |
|
MG 850
Registriert: Mo 22. Dez 2008, 15:39 Beiträge: 530 Wohnort: Mainz
|
 Re: MGF Hinterachsmod - verrückte Idee?
Hallo Michael, keine Angst, ich wollte Dir den Spass nicht vermiesen, ich bin halt davon ausgegangen,dass du damit auf die Strasse wolltest. Ich wuerde mich halt nicht in ne Karre setzen und mit ueber 200Km/h ueber die Piste flitzen,wohl wissend, dass da am Rahmen gebastelt wurde. Als Fun-Car geht das sicherlich!
_________________ Ich will immer Alles selber machen! Natürlich nur am "F-chen"
|
| Fr 24. Mai 2013, 17:42 |
|
 |
|
BoneLord
Registriert: Fr 5. Jun 2009, 11:17 Beiträge: 609 Wohnort: Sulzbach-Rosenberg
|
 Re: MGF Hinterachsmod - verrückte Idee?
Hi Michael umsetzbar ist das denke ich schon und Macht auch Sinn was Du sagst aber ich glaub fast nicht das der große Aufwand wirklich soviel ausmacht. Ich denke das wirklich viel die Buchsen ausmachen hab ja nen Vergleich bei mir. einer mit polly einer normal das ist wie Tag und Nacht zwischen den beiden. Obwohl mein blauer mit Polly 50000 mehr runter hat was sicher negativ dazu beiträgt wird ja doch alles weicher....
_________________ Gruß Mario
MGF VVC Bj 98 MGF Serie Bj 97 MG ZT-T 190 Bj 03
|
| Fr 24. Mai 2013, 18:03 |
|
 |
|
Karl Ramseier
Registriert: Mi 5. Okt 2011, 19:05 Beiträge: 80 Wohnort: Hannover, Burgdorf
|
 Re: MGF Hinterachsmod - verrückte Idee?
Die Idee ist Interessant, das Beste von Zwei in Einen zu vereinen. Da ich z.Zt. aus Zwei Mgf, Ein mache, frage ich mich auch, was kann man verbessern. Wenn Buchsen bzw. Lager getauscht werden, welche nehmen Orange, Lia oder Schwarze. Ich finde es Toll das Jemand darüber nach Denkt, technische Veränderungen, Verbesserungen zu entwickeln. Die bei Rover/MG haben auch nur mit Wasser gekocht, und ich möchte nicht wissen was dem Rot Stift zum Opfer gefallen ist, in der ganzen Produktionsphase.
_________________ Gruß Michael
Das Licht am Ende des Tunnels, kann auch ein Zug sein.
|
| Fr 24. Mai 2013, 20:20 |
|
 |
|
speedsgood
Registriert: Sa 17. Jan 2009, 01:33 Beiträge: 2664
|
 Re: MGF Hinterachsmod - verrückte Idee?
Interessant und bei sauberer Ausfuhrung geht das auch unbewusst mit durch bei der HU. Die Zulassigkeit ist wieder ein ganz anderes Thema. Die Frage ist nur, wie sich die Fahrdynamik bzw. das Fabrverhalten ändert. Kann gut gehen, muss aber nicht. Müsste normalerweise mal von nem Fahrwerkstechniker gegengeprüft werden. Oder ausprobieren wenn die Moglichkeit besteht, das Fahrzeug vor dem Bewegen auf öffentlichen Straßen abseits davon ausgiebig auch in Extremsituationen zu testen. Die Frage ist nur, ob in Anbetracht von knapper werdenden guten Hydragasdosen der Umbau Sinn macht.
_________________ MG TF
"Wenn Du den Baum siehst, in den Du reinfährst, hast Du untersteuert. Wenn Du ihn nur hörst, hast Du übersteuert." Walter Röhrl
|
| Fr 24. Mai 2013, 22:03 |
|
 |
|
Mykel
Registriert: So 9. Jan 2011, 09:18 Beiträge: 6636 Wohnort: Schwalmtal (Niederrhein)
|
 Re: MGF Hinterachsmod - verrückte Idee?
Wenn ich die Dutzende von Angeboten sehe, mache ich mir wegen der Dosen keine großen Sorgen, Peter. Und nun nochmal zur Zulässigkeit. Solange ich nicht rumschweiße, verwende ich nur originale MG-Rover Teile, die für ein Fahrzeug, das "insofern EG/BE e11*93/81*0017* entspricht" homologisiert sind (Zitat aus meinem Fahrzeugschein). Also alles zugelassene Teile, denn die BE gilt ja für F und TF gleichermaßen. So wie ich ja auch eine TF-Front an einen F schrauben darf (wenn ich vor nix fies bin) oder eben die kompletten Hilfsrahmen austauschen kann. Insofern sehe ich kein Problem darin, den Umbau zu machen, wenn ich die kurzen Spurstangen drin lassen kann. Aufwändig ist das m.E. auch nicht, wenn man den Hilfsrahmen eh rausnimmt. Und das wird bei meiner Lilibet über kurz oder lang fällig, geplant ist nächstes Frühjahr. Schweißarbeiten am Hilfsrahmen sind ne andere Sache. Aber die betreffenden Teile sind ohnehin geschweißt, die molekulare Struktur ist dort also eh schon im A****  Würde ich auch nicht selber machen, ich kann nur Reparaturbleche festpunkten, und hier müssten saubere Nähte gezogen werden und das muss ja auch noch exakt passen. Aber wie schon erwähnt, Schweißen ist ja nur dann eine Option, wenn die langen Spurstangen zwingend erforderlich wären. Ich hab mir die kurzen gerade nochmal angesehen, die stehen zum Rad hin leicht nach unten. Wenn nun das kurvenäußere Rad einfedert werden die relativ etwas länger, was das Hinterrad dann eher Richtung Untersteuern drehen würde. Ich denke durch den größeren Radius der langen Spurstangen ist dieser Effekt nicht so ausgeprägt. Aber vielleicht ist das ja zu vernachlässigen. Und natürlich soll die Kleine dann wieder ganz normal auf die Straße, also wird das - wenn ich das mache - schon alles ordentlichst gebaut werden. Ich habe nur vom Track Day gesprochen, weil mir die TÜV-Frage an dieser Stelle erstmal völlig wurst ist. Es geht rein um die Machbarkeit und vor allem um den Einfluss der zwei Spurstangenarten. Der Rest ist nach meinem derzeitigen Stand eh "bolt-on" und einfach zu machen.
_________________ MGF VVC, Flame Red, LHD, 4.4.1997 TF 135 Monogram Spectre, RHD, 18.6.2004 ZR 160 3-Türer, Solar Red, LPG, LHD, 21.8.2001 Midget Mk3 RWA, Blaze Red, LHD, 12/1972
|
| Fr 24. Mai 2013, 22:22 |
|
 |
|
MG-TF160
Registriert: Fr 29. Apr 2011, 14:25 Beiträge: 117 Wohnort: Ehingen
|
 Re: MGF Hinterachsmod - verrückte Idee?
Hallo Mykel, eine interessante Idee, die sicherlich in der Theorie vielversprechend klingt aber… Ich gebe zu bedenken, dass F´s und TF´s bereits im Originalzustand, zum Ausbrechen in Extremsituationen neigen. Aus diesem Grund habe ich bereits einen F in BRG (2002) beerdigt. Auch Dieter und viele andere können ein Lied vom Verhalten bei feuchter Witterung singen. Da würde ich persönlich alles anpassen sonst kann aus dieser durchaus fortschrittlichen Idee, schnell ein Eigentor werden, denn wenn er mal dreht, dann ist es schon zu spät. Genauso würde ich darauf achten, Homologie hin oder her, dass ich nicht zu häufig die Baugruppen F und TF untereinander vermische. Ansonsten wir werden nicht jünger und wenn die Hydragas die Bandscheiben entlasten kann – Warum nicht? Ich drücke dir die Daumen.
Gruß
Armin
_________________ MG TF 160, Leder, Klima, Wurzelholz, offener Filter mit Kaltluftzufuhr, Z&F-ECU-Tuning, Klarglasrückleuchten, H&R Federn (30mm), 17" TEAM DYNAMICS Felgen in matt schwarz, Frontspoiler Geplant: neues Verdeck mit einer Glasscheibe
|
| Sa 25. Mai 2013, 14:39 |
|
|
|
Seite 1 von 1
|
[ 13 Beiträge ] |
|
Wer ist online? |
Mitglieder in diesem Forum: 0 Mitglieder und 14 Gäste |
|
Du darfst keine neuen Themen in diesem Forum erstellen. Du darfst keine Antworten zu Themen in diesem Forum erstellen. Du darfst deine Beiträge in diesem Forum nicht ändern. Du darfst deine Beiträge in diesem Forum nicht löschen. Du darfst keine Dateianhänge in diesem Forum erstellen.
|
|
 |