 |
|
Aktuelle Zeit: Di 13. Jan 2026, 05:27
|
Unbeantwortete Themen | Aktive Themen
Trotz Lima Wechsel brennt die Batterieleuchte
| Autor |
Nachricht |
|
2good
Registriert: Di 14. Apr 2009, 15:19 Beiträge: 10 Wohnort: Bessenbach
|
 Trotz Lima Wechsel brennt die Batterieleuchte
Hallo MGler,
ich hoffe Ihr habt noch eine Idee, wie ich meine neue Lima zum laden bringe. Ich hatte eine Kaputte und habe diese gegen eine Neue ausgetauscht. Jetzt brennt die Batterieleuchte im Armaturenbrett immer noch. Was kann ich noch überprüfen oder durchmessen??
Wenn der Motor läuft wird an der neuen Lima auch keine höhere Spannung als die Batteriespannung angezeigt. Da sollte doch eigentlich dann zwischen 13,5V und 14V angezeigt werden oder?
verzweifelte Grüße Dominik
|
| Mi 19. Feb 2014, 18:52 |
|
 |
|
pavmi
Registriert: Do 29. Apr 2010, 21:15 Beiträge: 649 Wohnort: 64347 Griesheim
|
 Re: Trotz Lima Wechsel brennt die Batterieleuchte
Hast du die selber getauscht ? Sollten 2 Kabel montiert sein evtl falsch montiert oder Kabelbruch im Ladekabel ?
Gruß Michael
_________________ MG-Stammtisch-Rhein Neckar Main jeden 2. Samstag http://www.mg-stammtisch-rnm.eu MGF EZ96 White Diamond MK I Klima Teilleder MGF EZ00 BRG MK II Klima Leder schwarz MGF EZ98 RHD Teilespender MK I Leder beige MGF EZ01 BRG MK II Stepspeed Leder
|
| Mi 19. Feb 2014, 20:28 |
|
 |
|
2good
Registriert: Di 14. Apr 2009, 15:19 Beiträge: 10 Wohnort: Bessenbach
|
 Re: Trotz Lima Wechsel brennt die Batterieleuchte
Ja hab sie selbst getauscht. Es sind aber 3 Kabel. Einmal das B+ Kabel und dann noch ein Stecker mit L und DFM Kabel. Die kann man auch nicht vertauschen.
|
| Mi 19. Feb 2014, 21:26 |
|
 |
|
MIO
Registriert: Mi 28. Mär 2012, 03:40 Beiträge: 370 Wohnort: Karlsruhe (Basis)
|
 Re: Trotz Lima Wechsel brennt die Batterieleuchte
Hi, wie hast du denn den LIMA-Ausgang gemessen? Im angeschlossenen oder abgezogenen Zustand? Gruß, Michael
_________________ MGF VVC Bj 98, short knuckles, und ne Delle hinten rechts von nem Leitpfosten MAGGIE (MG TF 135, 2003, RHD, X-power grey, SP2, chrome pack)
|
| Mi 19. Feb 2014, 22:25 |
|
 |
|
2good
Registriert: Di 14. Apr 2009, 15:19 Beiträge: 10 Wohnort: Bessenbach
|
 Re: Trotz Lima Wechsel brennt die Batterieleuchte
Ich habe beides ausprobiert. Einmal mit dem L/DFM Stecker drauf und einmal ohne Stecker. Bei beidem keine Leistungsabgabe der Lichtmaschine.
Nur wenn der L/DFM Stecker nicht drauf ist leuchtet die Batterielampe im Armaturenbrett auch nicht. Was ja auch logisch ist da ja keine Verbindung besteht.
|
| Do 20. Feb 2014, 00:23 |
|
 |
|
Mykel
Registriert: So 9. Jan 2011, 09:18 Beiträge: 6636 Wohnort: Schwalmtal (Niederrhein)
|
 Re: Trotz Lima Wechsel brennt die Batterieleuchte
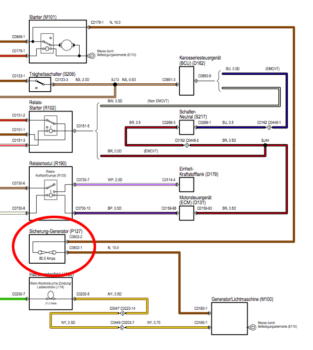
Es handelt sich um einen TF, richtig? (Am besten mal Profil vollständig ausfüllen !!!) Wie sieht es denn mit der Sicherung zwischen Lima und Anlasser aus? Müsste an der Schottwand zwischen Motor- und Kofferraum sitzen: Dateianhang:
gen-fuse.jpg [ 234.07 KiB | 10074-mal betrachtet ]
_________________ MGF VVC, Flame Red, LHD, 4.4.1997 TF 135 Monogram Spectre, RHD, 18.6.2004 ZR 160 3-Türer, Solar Red, LPG, LHD, 21.8.2001 Midget Mk3 RWA, Blaze Red, LHD, 12/1972
|
| Do 20. Feb 2014, 08:15 |
|
 |
|
2good
Registriert: Di 14. Apr 2009, 15:19 Beiträge: 10 Wohnort: Bessenbach
|
 Re: Trotz Lima Wechsel brennt die Batterieleuchte
Sorry. Ja es handelt sich um einen TF.
Hab die Sicherung gerade überprüft und diese ist ganz. (leider)
|
| Do 20. Feb 2014, 09:34 |
|
 |
|
Mykel
Registriert: So 9. Jan 2011, 09:18 Beiträge: 6636 Wohnort: Schwalmtal (Niederrhein)
|
 Re: Trotz Lima Wechsel brennt die Batterieleuchte
Hm, dann ist da im Schaltplan noch die dritte Leitung, die weiß-rote, die kommt vom Motor-Steuergerät. Ich hab aber jetzt gerade keine Ahnung, inwiefern die das Ladeverhalten beeinflusst, das Elektrik-Handbuch sagt hierzu leider auch gar nichts. In der Regel bedeutet weiß-rot im Rover-Farbsystem aber eine Art von Zündungsplus. Eventuell ist das die Erregerspannung, die von der ECU geliefert wird. Du könntest ja mal messen, ob da im Betrieb 12 Volt anliegen.
War das eine fabrikneue LiMa, die du eingebaut hast?
_________________ MGF VVC, Flame Red, LHD, 4.4.1997 TF 135 Monogram Spectre, RHD, 18.6.2004 ZR 160 3-Türer, Solar Red, LPG, LHD, 21.8.2001 Midget Mk3 RWA, Blaze Red, LHD, 12/1972
|
| Do 20. Feb 2014, 13:17 |
|
 |
|
Matthias_S
Registriert: Do 28. Mär 2013, 22:10 Beiträge: 664
|
 Re: Trotz Lima Wechsel brennt die Batterieleuchte
Klugscheißmodus an Wenn es eine todsichere Methode gibt, einen Drehstromgenerator (a.k.a. Lichtmaschine) ins Jenseits zu befördern, dann ist es die, diesen ohne angeschlossene Kabel laufen zu lassen. Klugscheißmodus wieder aus Matthias
_________________ achteckige Grüße
Matthias
MGF (120 PS), brg, EZ 05/96 MGF (120 PS), amaranth, EZ 12/96 MGB Roadster, green mallard, EZ 03/73 MGC Roadster, dark burgundy, EZ 12/68
|
| Do 20. Feb 2014, 13:51 |
|
 |
|
xpower
Registriert: Do 14. Mai 2009, 15:02 Beiträge: 4968
|
 Re: Trotz Lima Wechsel brennt die Batterieleuchte
mit viel glück hast du beim einbau eine Diode im regler geerdet... mess den einfach mal aus...
|
| Do 20. Feb 2014, 15:18 |
|
 |
|
nele1
Registriert: Di 17. Dez 2013, 20:19 Beiträge: 23
|
 Re: Trotz Lima Wechsel brennt die Batterieleuchte
Also ich hatte schon das gleiche Problem. Bei mir war das Ladestromkabel im Strang im Motorraum gebrochen. Wenn ich mich recht erinnere kannst Du das feststellen wenn Du eine Brücke vom verschraubten Anschluss des Anlassers zum Pluspol der Batterie legst. Geht die Leuchte dann aus hast Du einen Kabelbruch. Das habe ich auch erst festgestellt nachdem die neue Lima eingebaut war und die Ladestromleuchte immer noch an blieb. Im Zweifelsfall lass die Geschichte lieber durchmessen. Kostet nicht die Welt.
Gruß Joachim
|
| Do 20. Feb 2014, 20:56 |
|
 |
|
nele1
Registriert: Di 17. Dez 2013, 20:19 Beiträge: 23
|
 Re: Trotz Lima Wechsel brennt die Batterieleuchte
Habe mir gerade den Schaltplan oben angeschaut. Der Bruch war in dem Stück vom Generator zum Anlasser (N10). Das Stück wurde dann überbrückt. Das könntest Du probeweise machen.
Gruß Joachim
|
| Do 20. Feb 2014, 21:02 |
|
 |
|
2good
Registriert: Di 14. Apr 2009, 15:19 Beiträge: 10 Wohnort: Bessenbach
|
 Re: Trotz Lima Wechsel brennt die Batterieleuchte
@ Mykel: Nein es war eine gebrauchte, wurde aber beim Bosch Service auf Funktion überprüft. Ich werde morgen mal schauen welche Werte mir das weiß-rote Kabel liefert. @nele1: Werde auch deinen Tipp morgen mal überprüfen vielleicht habe ich ja auch Glück. @Matthias_S: Welche Kabel meinst du jetzt? Und um in deiner Sprache zu bleiben  Klugscheißmodus an: Eine genauere Beschreibung wäre cool ob du jetzt nur das L/DFM Kabel meinst oder komplett mit dem B+ Kabel auch. Klugscheißmodus wieder aus. Und schon mal ein großes Dankeschön für die bisherigen Tipps.
|
| Do 20. Feb 2014, 21:47 |
|
 |
|
Matthias_S
Registriert: Do 28. Mär 2013, 22:10 Beiträge: 664
|
 Re: Trotz Lima Wechsel brennt die Batterieleuchte
"Komplett". Ein Drehstromgenerator sollte nie ohne angeschlossene Verbraucher betrieben werden.
_________________ achteckige Grüße
Matthias
MGF (120 PS), brg, EZ 05/96 MGF (120 PS), amaranth, EZ 12/96 MGB Roadster, green mallard, EZ 03/73 MGC Roadster, dark burgundy, EZ 12/68
|
| Fr 21. Feb 2014, 13:53 |
|
 |
|
2good
Registriert: Di 14. Apr 2009, 15:19 Beiträge: 10 Wohnort: Bessenbach
|
 Re: Trotz Lima Wechsel brennt die Batterieleuchte
Das hatte ich ja nicht gemacht zum Glück
|
| Fr 21. Feb 2014, 15:53 |
|
 |
|
2good
Registriert: Di 14. Apr 2009, 15:19 Beiträge: 10 Wohnort: Bessenbach
|
 Re: Trotz Lima Wechsel brennt die Batterieleuchte
Um euch auf dem laufenden zu halten..... Wollte gerade die Leitung von der Lima zum Anlasser überbrücken aber jetzt hat die Batterie den Geist aufgegeben. Morgen gehts dann weiter
|
| Di 25. Feb 2014, 12:41 |
|
 |
|
BigSees
Registriert: Fr 21. Feb 2014, 21:57 Beiträge: 66 Wohnort: Stuttgart
|
 Re: Trotz Lima Wechsel brennt die Batterieleuchte
@mattias erklär uns doch mal , wieso das für die lima nicht gut wäre? Wenn ein Stromaggregat ohne verbraucher läuft, geht es auch nicht kaputt ? Und das ist auch nichts Anderes als ein "Drehstromgenerator" 
|
| Di 25. Feb 2014, 22:32 |
|
 |
|
Matthias_S
Registriert: Do 28. Mär 2013, 22:10 Beiträge: 664
|
 Re: Trotz Lima Wechsel brennt die Batterieleuchte
Da schmeist du was durcheinander. Beim Drehstromgenerator im Auto wird die erzeugte dreiphasige Wechselspannung (a.k.a. Drehstrom) mittels Gleichrichterdioden gleichgerichtet und über einen Spannungsregler unabhängig von der Motordrehzahl auf etwa 14 Volt eingeregelt. Wenn du einen Drehstromgenerator (Lima) ohne angeschlossenen Verbraucher betreibst, überlastet das die Gleichrichterdioden, weil deren maximale Sperrspannung niedriger ist, als Spannuing, die der Generator im Leerlauf, also ohne angeschlossene Verbraucher, abgibt. Deswegen geben Gleichrichterdioden im lastfreien Betrieb dann auch relativ schnell den Geist auf. Mittlerweile gibt es aber auch Drehstromgeneratoren mit Zenerdioden, bei denen diese Gefahr nicht mehr besteht. Ein stationärer Dreh(strom)generator hat dieses Problem nicht, da er weder Gleichrichtung noch Spannungsregelung hat. Alles klar? 
_________________ achteckige Grüße
Matthias
MGF (120 PS), brg, EZ 05/96 MGF (120 PS), amaranth, EZ 12/96 MGB Roadster, green mallard, EZ 03/73 MGC Roadster, dark burgundy, EZ 12/68
|
| Mi 26. Feb 2014, 14:21 |
|
 |
|
Reinheit
Registriert: Fr 31. Mai 2013, 02:11 Beiträge: 804 Wohnort: Nasses Dreieck
|
 Re: Trotz Lima Wechsel brennt die Batterieleuchte
Matthias_S hat geschrieben: … Ein stationärer Dreh(strom)generator hat dieses Problem nicht, da er weder Gleichrichtung noch Spannungsregelung hat. Alles klar?  Soweit mir bekannt, wird die Spannung eines stationären Generators über die Drehzahl geregelt, die konstant gehalten wird. Das geht bei einer „Lichtmaschine“ im Auto ja nicht.
_________________ Ich hab jeden Tag Ostern. Irgendwas such ich immer.
|
| Mi 26. Feb 2014, 15:36 |
|
 |
|
Matthias_S
Registriert: Do 28. Mär 2013, 22:10 Beiträge: 664
|
 Re: Trotz Lima Wechsel brennt die Batterieleuchte
Das hatte ich in einem Nebensatz stehen, den ich dann aber wieder gelöscht habe. 
_________________ achteckige Grüße
Matthias
MGF (120 PS), brg, EZ 05/96 MGF (120 PS), amaranth, EZ 12/96 MGB Roadster, green mallard, EZ 03/73 MGC Roadster, dark burgundy, EZ 12/68
|
| Mi 26. Feb 2014, 18:01 |
|
|
Wer ist online? |
Mitglieder in diesem Forum: 0 Mitglieder und 26 Gäste |
|
Du darfst keine neuen Themen in diesem Forum erstellen. Du darfst keine Antworten zu Themen in diesem Forum erstellen. Du darfst deine Beiträge in diesem Forum nicht ändern. Du darfst deine Beiträge in diesem Forum nicht löschen. Du darfst keine Dateianhänge in diesem Forum erstellen.
|
|
 |