Aktuelle Zeit: Mo 12. Jan 2026, 07:47




Ein neues Thema erstellen Auf das Thema antworten  [ 8 Beiträge ] 
TF passenger compartment fuse box, available pins/spades 
Autor Nachricht

Registriert: Do 11. Jun 2009, 23:30
Beiträge: 31
Beitrag TF passenger compartment fuse box, available pins/spades
Can someone help me identitfying the available spades 3, 4, 5 on the fuse box.
Referring to Dieter electrical dwgs where I can find the required infos ?

Bild


Do 13. Jan 2011, 20:35
Profil
Benutzeravatar

Registriert: Mi 24. Feb 2010, 00:09
Beiträge: 223
Wohnort: Offenbach am Main
Beitrag Re: TF passenger compartment fuse box, available pins/spades
i don´t know where the pins are coming from.
i had the same question few weeks ago.

so i think it was
pin 3 12V by turning the Ingnition key
Pin 4 12V by turning on the lights. i think i will use this for my fog lights in a tf
pin 5 12V

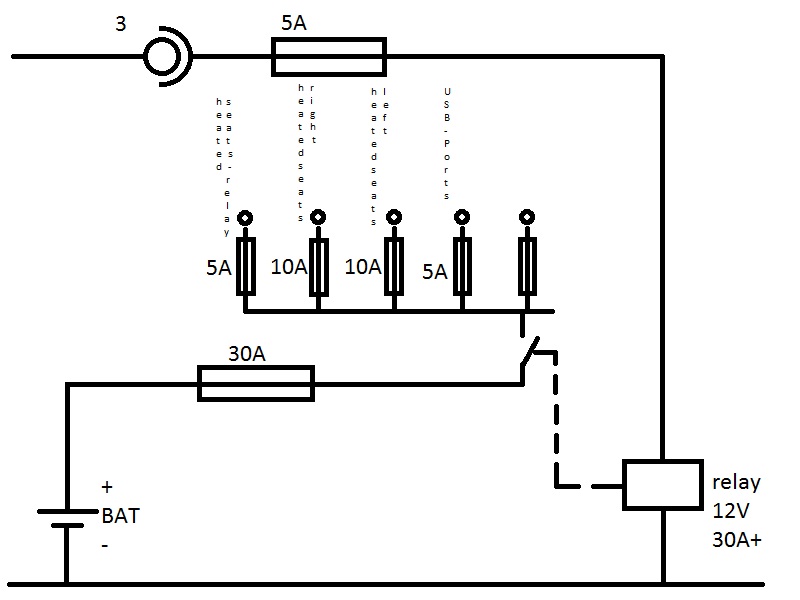
i wanted to add a new selfmade fusebox for my extras.(heated seats some lights etc)
i don´t know where it´s coming from but i used pin 3 to flick a relay with a fuse of 5A.
i cable with 30A fuse direktly from the bat to the relay. so now i have a new added fusebox with 5 fuses all flick by ingonition key


sorry for my bad englisch i hope u unterstood :P

_________________
Mg tf 135 bj2003 trophy blau|K&N Apollo|Toyosport Fächerkrümmer, Hosenrohr|Janspeed Auspuff|Luft Ölkühler|Team Dynamics 17"|Spax Dämpfer|H&R Federn|Scoops|sump baffle|ZKD bei ~83000km


Do 13. Jan 2011, 21:37
Profil
Benutzeravatar

Registriert: Mi 24. Feb 2010, 00:09
Beiträge: 223
Wohnort: Offenbach am Main
Beitrag Re: TF passenger compartment fuse box, available pins/spades
...


Dateianhänge:
mgtf.jpg
mgtf.jpg [ 54.14 KiB | 4665-mal betrachtet ]

_________________
Mg tf 135 bj2003 trophy blau|K&N Apollo|Toyosport Fächerkrümmer, Hosenrohr|Janspeed Auspuff|Luft Ölkühler|Team Dynamics 17"|Spax Dämpfer|H&R Federn|Scoops|sump baffle|ZKD bei ~83000km
Do 13. Jan 2011, 22:11
Profil
Benutzeravatar

Registriert: Do 18. Dez 2008, 08:34
Beiträge: 2575
Wohnort: Nürnberg
Beitrag Re: TF passenger compartment fuse box, available pins/spades
Nice idea, but did you notice, that your 4 fuses have in summary a capacity of 30 Amps, so that your mainfuse is too small in dimension if you want to use 5 fuses? What dimension did you use for the main cable?

_________________
oktagonale Grüße

Jürgen


MGF VVC - Rest in pieces.
Jetzt MGTF 80th LE
Rover 114 GTa
Rover 114 GTI - neu in der Familie zugelassen
~~~~~~~~~~~~~~~~~~~~~~~~~~~~~~~~~~~~~~~~~~~~~~~~~~~~
Bards we are! Bards we will be!


Fr 14. Jan 2011, 07:45
Profil
Benutzeravatar

Registriert: Mi 24. Feb 2010, 00:09
Beiträge: 223
Wohnort: Offenbach am Main
Beitrag Re: TF passenger compartment fuse box, available pins/spades
Mit dir kann ich ja auf deutsch reden ...
Also ja is mir aufgefallen is auch so von mir gedacht.
Es gibt sowas wie n gleichheitsgesetzt in der Elektrik .
Das heist soviel es laufen nie alle Geräte gleichzeitig .
Vorallem hab ich n Puffer
Der USB Anschluss zieht max 1A
Je sitzheizung 7.5A
Des Relais der sitzheizung mit spulenwiderstand 107ohm netmal n halbes Ampere .
Guck mal in deinen sicherungskasten daheim . Vorn haste ne 63A Sicherung
Dann kommt dein herd mit ner 25A Sicherung und hast dann auf einer Phase von mir aus noch 3 Sicherungen mit je 16A und schon biste bei 73A auf einer Phase . Gleichheitsfaktor 0,8x73 biste wieder bei 58A. Ähnlich hab ich es mir jetzt auch gedacht .
Die Selektivität hab ich beachtet .

_________________
Mg tf 135 bj2003 trophy blau|K&N Apollo|Toyosport Fächerkrümmer, Hosenrohr|Janspeed Auspuff|Luft Ölkühler|Team Dynamics 17"|Spax Dämpfer|H&R Federn|Scoops|sump baffle|ZKD bei ~83000km


Fr 14. Jan 2011, 10:16
Profil
Benutzeravatar

Registriert: Mi 24. Feb 2010, 00:09
Beiträge: 223
Wohnort: Offenbach am Main
Beitrag Re: TF passenger compartment fuse box, available pins/spades
achso das kabel hat 25²

main calble has 25²

_________________
Mg tf 135 bj2003 trophy blau|K&N Apollo|Toyosport Fächerkrümmer, Hosenrohr|Janspeed Auspuff|Luft Ölkühler|Team Dynamics 17"|Spax Dämpfer|H&R Federn|Scoops|sump baffle|ZKD bei ~83000km


Fr 14. Jan 2011, 10:54
Profil
Benutzeravatar

Registriert: Do 18. Dez 2008, 08:34
Beiträge: 2575
Wohnort: Nürnberg
Beitrag Re: TF passenger compartment fuse box, available pins/spades
Mag sein, trotzdem kannst du theoretisch bei voller Auslastung deine Sicherung überlasten. Aber du bist der Erste, der es merkt. Da bleibt dann der Hintern kalt. ;)

_________________
oktagonale Grüße

Jürgen


MGF VVC - Rest in pieces.
Jetzt MGTF 80th LE
Rover 114 GTa
Rover 114 GTI - neu in der Familie zugelassen
~~~~~~~~~~~~~~~~~~~~~~~~~~~~~~~~~~~~~~~~~~~~~~~~~~~~
Bards we are! Bards we will be!


Fr 14. Jan 2011, 11:16
Profil
Benutzeravatar

Registriert: Mi 24. Feb 2010, 00:09
Beiträge: 223
Wohnort: Offenbach am Main
Beitrag Re: TF passenger compartment fuse box, available pins/spades
hehe danke hats doch was gebracht in der schule aufzupassen...

aber naja geh ich mal von aus das ich alles benutze
und
I sitzheizungrelais 5A
I sitzheizung rechts 10A
I sitzheizung links 10A
I USB 5A

fliegt die 30A Sicherung auch nicht raus. das der unterschied zu deinem haushalt wo du ja bewusst die 63A überschreitest und das durchaus vde komform ist .

überschreitet jetzt Sitzheizung rechts die 10A fliegt ja auch nur diese sicherung raus. zumindest theoretisch jeder von uns hat des auch schonmal mitbekommen das auf einmal die erste und die zweite sicherung ausgelöst hat und beim nächsten mal nur die die näher am verbraucher ist.

später will ich das ganze noch erweitern... hatte nur kein 70A relais also hab ich auch nur ne 30A sicherung drin

_________________
Mg tf 135 bj2003 trophy blau|K&N Apollo|Toyosport Fächerkrümmer, Hosenrohr|Janspeed Auspuff|Luft Ölkühler|Team Dynamics 17"|Spax Dämpfer|H&R Federn|Scoops|sump baffle|ZKD bei ~83000km


Fr 14. Jan 2011, 11:33
Profil
Beiträge der letzten Zeit anzeigen:  Sortiere nach  
Ein neues Thema erstellen Auf das Thema antworten  [ 8 Beiträge ] 


Wer ist online?

Mitglieder in diesem Forum: Google [Bot] und 33 Gäste


Du darfst keine neuen Themen in diesem Forum erstellen.
Du darfst keine Antworten zu Themen in diesem Forum erstellen.
Du darfst deine Beiträge in diesem Forum nicht ändern.
Du darfst deine Beiträge in diesem Forum nicht löschen.
Du darfst keine Dateianhänge in diesem Forum erstellen.

Suche nach:
Gehe zu:  
cron
Powered by phpBB © phpBB Group.
Designed by Vjacheslav Trushkin for Free Forums/DivisionCore.
Deutsche Übersetzung durch phpBB.de