|  | 
	|  | Aktuelle Zeit: Fr 31. Okt 2025, 03:42 
 |  
		Unbeantwortete Themen | Aktive Themen
		
	 
 
 
 
 
	
	
		
			|     | Seite 1 von 1 
 | [ 14 Beiträge ] |  |  
	
	
        
        
            | Autor | Nachricht |  
			| Udok 
					Registriert: So 30. Okt 2022, 20:33
 Beiträge: 8
   |   Hydragas Eier ,Maße?HalloKann mir jemand die genauen Maße der MGF Hydragas Eier geben?
 Der obere Teil wo das Gas drin sein sollte wäre wichtig.Wo ich das Viereck reingemusst habe.
 Danke
 
 
 Dateianhänge: 
			 5480ACEB-D592-48A8-9BF5-E371201308D8.jpeg [ 56.8 KiB | 19911-mal betrachtet ] |  
			| Fr 18. Nov 2022, 14:14 | 
					
					   |  
		|  |  
			| Peter B 
					Registriert: Di 13. Jan 2009, 20:29
 Beiträge: 1391
 Wohnort: Südhessische Idylle
   |   Re: Hydragas Eier ,Maße?Hallo, kann dir zwar schlecht weiterhelfen, weil ich keine ausgebauten Eier herumliegen habe, aber hier gibts so einige, die dir sicher so ein "Ei" ausmessen können, weil sie die als Ersatzteil auf Lager gelegt haben   Aber nebenbei - warum brauchst du die Maße?_________________
 -----------
 Viele Grüße
 Peter
 
 
 MGF Trophy 2001 trophy yellow
 MGF MPI  2001  solar red
 
 
 
 |  
			| Fr 18. Nov 2022, 15:52 | 
					
					   |  
		|  |  
			| Tomcatciller 
					Registriert: So 13. Jul 2014, 00:58
 Beiträge: 1151
 Wohnort: Chemnitz
   |   Re: Hydragas Eier ,Maße?Hallo einige Maße der Hydrogaseinheiten findest du hier . Oder ggf. links zu anderen Seiten die sich damit beschäftigen. Wenn du es ganz genau wissen willst, ich habe 16 Einheiten (4 Sätze) rumliegen und kann mal messen. Bitte aber zuvor genau angeben wo ich messen soll. Weil was du im Bild angegeben hast kann ich nur ggf. berechnen, nicht messen. Grüße aus Chemnitz
 
 |  
			| Fr 18. Nov 2022, 19:07 | 
					
					   |  
		|  |  
			| Udok 
					Registriert: So 30. Okt 2022, 20:33
 Beiträge: 8
   |   Re: Hydragas Eier ,Maße?HalloAlso Berechnung würde mir reichen.Ich hab leider keine Zylinder.
 An meinem MG ist natürlich auch kein Gas mehr drin.
 Wir überlegen ob es eine andere Lösung gibt als Ventile aufschweissen.
 was dürfen gebrauchte Eier denn so kosten?
 
 
 |  
			| Fr 18. Nov 2022, 19:18 | 
					
					   |  
		|  |  
			| Tomcatciller 
					Registriert: So 13. Jul 2014, 00:58
 Beiträge: 1151
 Wohnort: Chemnitz
   |   Re: Hydragas Eier ,Maße?Hm,  also vielleicht sei dir als Anfang dieser Thread empfohlen  zu dem Thema. Darin findest du alles zum Thema. Auch Kontakte wer so etwas in Deutschland durchführt für kleines Geld. Schwierige Frage was die gebrauchten Einheiten kosten dürfen. Ich hatte bezahlt: Januar 2021 - 1 Satz MGF normal recht verrostet  - 210 € inkl. Versand aus Kleinanzeigen Januar 2022 - 1 Satz MGF normal "Oldschool" Regased Einheiten aus England  - 564,18 € inkl. allem Brexit Spass Ebay.uk.co Januar 2022 - 1 Satz MGF normal in gutem Zustand  - 230 € aus Kleinanzeigen Mai 2022 - MGF Trophy in Topzustand  - 440 € aus Kleinanzeigen / MGF Board hier Aktuell im Angebot sind folgende die ich für erwähnenwert halte: (Hinweis, die hinteren gehen statistisch eher kaputt wegen Mehrgewicht Mittelmotor) - Kleinanzeigen - Kleinanzeigen Wenn du es gleich richtig machen willst dann hier bestellen:- Kennedys Regased Units  Das sind die besten laut Uk- Forum. Aber halt teuer. Vorteil ist hier, die Ventile sind an der Seite und du musst nicht die Karosse anbohren für die Ventile.Ein anderer Anbieter in England. Wenn du eine Alternative haben willst zu den Regas Ventilen dann gibt es in England einen Kollegen, der die Dosen über den original Niet auffüllen  kann. Da musst du aber Dosen einschicken. Auktion findest du nur, wenn du bei Ebay eine englische Adresse angibst. Nachteil ist hier, du kannst den Stickstoff dann nicht selber nachfüllen. Vorteil ist, du musst ggf. keine Löcher in die MGF Karosse schneiden wegen den Ventilen. Der Kollege heißt Kevin und hat imho die beste Testsystematik von allen Regas-Anbietern die Dosen zu prüfen ob es sich noch lohnt. Da gibt es auch Youtube Videos von ihm wie er es macht. Er kommt aus der "weißen Ware" Branche, wo es üblich ist Prozessgase in einer lebenlangen Füllung in technische Anlagen einzufüllen. Grüße aus Chemnitz
 
 |  
			| Fr 18. Nov 2022, 19:58 | 
					
					   |  
		|  |  
			| rheinkiter 
					Registriert: Sa 28. Aug 2010, 21:45
 Beiträge: 467
 Wohnort: Düsseldorf
   |   Re: Hydragas Eier ,Maße?Ich hab so ein Ding schon mal aufgeflext, weil ich wissen wollte wie das innen wirklich aussieht. wenn du mir also sagst, welche Maße du da exakt haben willst, kann ich sie messen.
 
 Überlegst du da oben ne Feder reinzusetzen anstatt ne Gasblase?
 
 nur so aus Neugier...
 
 Grüße,
 Markus
 _________________
 "Woher soll ich wissen was ich denke bevor ich höre was ich sage?" - Marilyn Monroe
 
 Mein F musste leider nem TF weichen.
 
 
 
 |  
			| Fr 18. Nov 2022, 23:56 | 
					
					   |  
		|  |  
			| Udok 
					Registriert: So 30. Okt 2022, 20:33
 Beiträge: 8
   |   Re: Hydragas Eier ,Maße?Ich möchte Versuche machen,da oben ein Luftfederbalg einzubauen.Mit Kompressor und Härte Verstellung.Wie gesagt ,Versuche nebenbei.Erstmal muß mein MGF startklar werden.Daher suche ich jemand ,am besten im Münsterland ,der mir die Dosen fertig macht .
 Dann suche ich defekte Dosen für unsere Umbauten und Versuche.
 
 
 |  
			| Sa 19. Nov 2022, 07:48 | 
					
					   |  
		|  |  
			| Dieter 
					Registriert: Di 11. Nov 2008, 00:19
 Beiträge: 5192
 Wohnort: Waldhessen
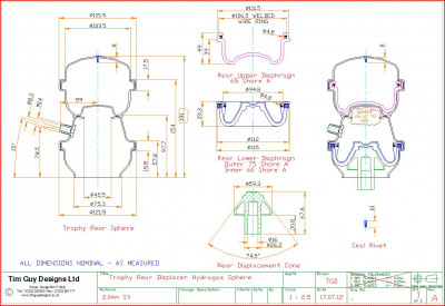
   |   Re: Hydragas Eier ,Maße?Dateianhang: 
			Dateikommentar: Ne Zeichnung
		
			 Drawing-Capture.jpg [ 174.86 KiB | 19836-mal betrachtet ]Das könnte helfen. Hab ich auf der Festplatte gefunden. Steht zwar Trophy dran, aber der Mann wußte damals noch nicht das die Bleche vom Trophy und Standard identisch sind._________________
 Gruß
 Dieter
 MGF/TF http://www.mgfcar.de
 Kein Support über E-Mail oder PM, Fragen bitte im Forum stellen!
 
 
 |  
			| So 20. Nov 2022, 01:05 | 
					
					     |  
		|  |  
			| Udok 
					Registriert: So 30. Okt 2022, 20:33
 Beiträge: 8
   |   Re: Hydragas Eier ,Maße?
 
 |  
			| So 20. Nov 2022, 06:50 | 
					
					   |  
		|  |  
			| Der Wolf 
					Registriert: Sa 3. Dez 2016, 12:50
 Beiträge: 301
 Wohnort: Warendorf
   |   Re: Hydragas Eier ,Maße?Soweit ich weiß gibt es im Münsterland keinen der die Dosen regast. Der nächste ist der Rosenverkäufer in Arnsberg. Schreib den mal hier über das Forum an.
 Wenn du die Dosen bei ihm umbauen lässt dann kauf bei ihm auch einen Satz washers wenn du noch mit
 den Seriengummis unterwegs bist und keine Poly-Buchsen hast.
 _________________
 MGF , VIN530865
 
 
 |  
			| Mi 23. Nov 2022, 09:21 | 
					
					     |  
		|  |  
			| Udok 
					Registriert: So 30. Okt 2022, 20:33
 Beiträge: 8
   |   Re: Hydragas Eier ,Maße?HalloKann ich irgendwo einsehen ,was der Rosenverkäufer zu welchen Preis anbietet?
 
 Mit freundlichen Grüßen
 
 
 |  
			| Do 24. Nov 2022, 08:43 | 
					
					   |  
		|  |  
			| Udok 
					Registriert: So 30. Okt 2022, 20:33
 Beiträge: 8
   |   Re: Hydragas Eier ,Maße?Ich suche noch Quellen für das Zubehör ,Anschweissbund, Ventile , uswDanke
 
 
 |  
			| Do 24. Nov 2022, 08:51 | 
					
					   |  
		|  |  
			| Tomcatciller 
					Registriert: So 13. Jul 2014, 00:58
 Beiträge: 1151
 Wohnort: Chemnitz
   |   Re: Hydragas Eier ,Maße?Hallo Udok, es gibt mehrere Personen hier im Forum die umfängliche Dienstleistungen auf privater Ebene anbieten. Vom Aufpumpen des Fahrwerks, Analyse mit dem original Rover Diagnosesystem,  Regasen von Dosen, Herstellung von spezifischen Teilen bis hin zu komplexen Reparaturen die auch das MG-Rover Werkstattnetz früher gemacht hat. Das alles passiert aber immer auch im Interesse der Marke MG und/ oder auf Club- , Regionalkreis  und/oder Freundschaftsbasis! D.h. die wenigsten machen damit aktiv Werbung oder haben offene Preislisten oder ähnliches.  Bitte behandle solche Themen immer mit Diskretion auf dem direkten Weg per PN oder Mail.  Alternativ gibt es auch eine Deutschlandkarte  und eine Liste mit Ansprechpartnern und deren vorhandenen Werkzeugen und Tools .  Ich gebe offen zu, dass ich heute keine 2 MGF fahren würde wenn es nicht gewisse Leute in meiner Umgebung gäbe, die mir sehr geholfen haben und mir auch wahrscheinlich in Zukunft helfen würden. Dafür ist das Forum da. Wenn du tatsächlich auf das alles verzichten willst, dann gibt es noch die Liste der verbleibenden MG-Rover Werkstätten/ Experten ... Aber ich bin der Meinung wenn du darauf angewiesen bist in Werkstätten zu gehen dann wirst du sehr bald die Finger vom MGF/TF lassen, weil es kommerziell viel viel zu teuer ist und nicht in Relation zum Fahrzeugwert steht. Grüße aus Chemnitz
 
 |  
			| Do 24. Nov 2022, 10:51 | 
					
					   |  
		|  |  
			| Udok 
					Registriert: So 30. Okt 2022, 20:33
 Beiträge: 8
   |   Re: Hydragas Eier ,Maße?Ja natürlich behandelt man  Unkostenvergütung mit Diskretion.Ich habe ja auch mit Preisliste gemeint ,wer was machen könnte ?
 Das im Forum niemand Werbung macht ,für seine Hilfsbereitschaft  war mir auch klar.
 Ich möchte auch nicht in Werkstätten fahren.Da es Hobby ist.
 Ich werde auch meine Erkenntnisse (Luftfederbalg Umbau)ins Forum  einstellen.
 Und Danke für die Hinweise
 
 
 |  
			| Do 24. Nov 2022, 14:21 | 
					
					   |  
		|  |  
	
		
			|     | Seite 1 von 1 
 | [ 14 Beiträge ] |  |  
 
 
	
		| Wer ist online? |  
		| Mitglieder in diesem Forum: 0 Mitglieder und 30 Gäste |  
 
	|  | Du darfst keine neuen Themen in diesem Forum erstellen. Du darfst keine Antworten zu Themen in diesem Forum erstellen.
 Du darfst deine Beiträge in diesem Forum nicht ändern.
 Du darfst deine Beiträge in diesem Forum nicht löschen.
 Du darfst keine Dateianhänge in diesem Forum erstellen.
 
 |  
 |  |