| Autor |
Nachricht |
|
paul_stanley
Registriert: Mi 17. Dez 2008, 21:50 Beiträge: 147 Wohnort: pforzheim
|
 Akustisches Signal für ZV
Hallo zusammen, ich hab mir mit paar Dioden einen akustischen Signalgeber für die ZV gebaut. Laut Schaltplan soll der Stellmotor der ZV mit rosa / orange angesteuert werden. An diese beide Kontakte möchte ich gerne den Piepser anschliessen. Allerdings sind mir folgende Punkte noch unklar: - welches der beiden Module hinter dem Radioschacht ist für die ZV ? Bei meinem TF ist ganz unten ein Modul und auf halber Höhe nochmals eins. - Polt das Steuergerät Plus/Minus um ? D.h. das z.B. die Kombination orange (+), rosa (-) für öffnen und organge (-) und rosa (+) für schliessen zuständig ist. Die Schaltung wurde so aufgebaut, dass der Piesper einen Dauerton bringt und umgepolt einen Intervallton von sich gibt. http://paul-stanley.dyndns.org/test/summer.jpgGruss Martin
|
| So 14. Nov 2010, 18:12 |
|
 |
|
Volker
Registriert: So 21. Dez 2008, 22:56 Beiträge: 238 Wohnort: Mannheim
|
 Re: Akustisches Signal für ZV
Sowas ähnliches habe ich auch, ich habe aber einen handelsüblichen Pieper der laut genug ist genommen. Den habe ich direkt in der Fahrertür montiert und dort am orangenen Draht mit Plus und über die Karosserie mit Minus angeschlossen.
_________________ MFG Volker
|
| So 14. Nov 2010, 18:16 |
|
 |
|
xpower
Registriert: Do 14. Mai 2009, 15:02 Beiträge: 4990
|
 Re: Akustisches Signal für ZV
hm also meiner macht immer plopp als akustisches singnal  aber in der tür ist er sicher besser untergebracht alleine das du ihn schon hörst wenn du zu machst...
|
| So 14. Nov 2010, 18:36 |
|
 |
|
paul_stanley
Registriert: Mi 17. Dez 2008, 21:50 Beiträge: 147 Wohnort: pforzheim
|
 Re: Akustisches Signal für ZV
..ich werd den piepser vorne im "kofferraum" verbauen. der piepser ist extrem laut und man hört ihn sicherlich sehr gut. allerdings wurde leider nicht auf meine fragen eingangen  gruss martin
|
| So 14. Nov 2010, 23:32 |
|
 |
|
paul_stanley
Registriert: Mi 17. Dez 2008, 21:50 Beiträge: 147 Wohnort: pforzheim
|
 Re: Akustisches Signal für ZV
@Volker: so wie du den Piepser angeschlossen hast, müsste der Piepser nur beim öffnen (b.z.w. beim schliessen) einen Ton von sich geben ? Also nicht bei beiden Vorgängen. Ist das richtig ?
Gruss Martin
|
| Mo 15. Nov 2010, 07:10 |
|
 |
|
Volker
Registriert: So 21. Dez 2008, 22:56 Beiträge: 238 Wohnort: Mannheim
|
 Re: Akustisches Signal für ZV
ja Martin das ist richtig, nur beim schließen. Das war auch so gewollt.
_________________ MFG Volker
|
| Mo 15. Nov 2010, 08:42 |
|
 |
|
Ponaldo77
Registriert: Mi 8. Sep 2010, 19:39 Beiträge: 28 Wohnort: 18239 Heiligenhagen
|
 Re: Akustisches Signal für ZV
Hallo, mal kurz eine andere Frage zur Zentrlverriegelung !! Leuchten die Blinker eigentlich auch beim zumachen der Türen oder nur beim öffnen ? Habe nämlich zur Zeit einen Stromfresser(die Batterie(neu)ist immer nach 2 Tagen leer) und da muss ich der Sache mal auf den Grund gehen ! Gruss
|
| Mo 15. Nov 2010, 18:56 |
|
 |
|
paul_stanley
Registriert: Mi 17. Dez 2008, 21:50 Beiträge: 147 Wohnort: pforzheim
|
 Re: Akustisches Signal für ZV
@ Volker:
Danke für die Info. Jetzt weis ich, dass das Steuergerät umpolt. Somit wird meine Schaltung funktionieren. Wenn ich jetzt noch wüsste welches Modul für die ZV zuständig ist, könnte ich das Teil einbauen.
Gruss Martin
|
| Mo 15. Nov 2010, 19:14 |
|
 |
|
Michael N.
Registriert: So 22. Feb 2009, 20:26 Beiträge: 1537 Wohnort: Düren, NRW
|
 Re: Akustisches Signal für ZV
Ponaldo77 hat geschrieben: Habe nämlich zur Zeit einen Stromfresser(die Batterie(neu)ist immer nach 2 Tagen leer) und da muss ich der Sache mal auf den Grund gehen ! Gruss Hi, ich vermute mal Dein Motor Steuergerät könnte defekt sein. Das Hauptrelais fällt wahrscheinlich nicht mehr ab, nachdem die Zündung aus ist, und lutscht Deine Batterie leer  . Lese mal hier weiter: viewtopic.php?f=2&t=3967&hilit=Hauptrelais
_________________ Gruß, Michael MGF/TF Stammtisch Köln
Bremsen macht die Felgen dreckig!
|
| Mo 15. Nov 2010, 20:20 |
|
 |
|
me_and_my_mg
Registriert: Do 18. Dez 2008, 08:34 Beiträge: 2575 Wohnort: Nürnberg
|
 Re: Akustisches Signal für ZV
Die Blinker sollen blinken, wenn das Auto mit der Fernbedienung auf- und zugesperrt wird. Und wenn du absperrst, wenn die Heckklappe offen ist, blinkt es erst nach deren schließen. Ansonsten ist dem von Michael nichts hinzuzufügen. Außer vielleicht, dass für solche Themen vieleicht ein neuer Thread aufgemacht werden sollte, damit es nicht untergeht. Das Thema hier zielt ja wohl doch in eine komplett andere Richtung als die Frage von Martin.
_________________ oktagonale Grüße
Jürgen
MGF VVC - Rest in pieces. Jetzt MGTF 80th LE Rover 114 GTa Rover 114 GTI - neu in der Familie zugelassen ~~~~~~~~~~~~~~~~~~~~~~~~~~~~~~~~~~~~~~~~~~~~~~~~~~~~ Bards we are! Bards we will be!
|
| Mo 15. Nov 2010, 21:21 |
|
 |
|
Ponaldo77
Registriert: Mi 8. Sep 2010, 19:39 Beiträge: 28 Wohnort: 18239 Heiligenhagen
|
 Re: Akustisches Signal für ZV+Blinker
Danke für die Antworten,
also bei mir blinken die Blinker nur noch,wenn ich das Auto(MGF) aufmache ! Beim schliessen bleiben die Blinker aus! Und nach 2 Tagen, ist die Batterie leer ! Woran erkenne ich denn, das das Motorsteuergerät defekt ist ? Gruss RP
P.S. Wie kann ich das Problem am besten beheben ?
|
| Mi 17. Nov 2010, 21:29 |
|
 |
|
Rumpel
Registriert: Do 18. Dez 2008, 16:45 Beiträge: 80 Wohnort: Wolfenbüttel
|
 Re: Akustisches Signal für ZV
Wenn es beim Verriegeln nicht blickt, dann fehlt ein Kontaktsignal, bzw. es ist noch ein Kontakt geschlossen. Da gleichzeitig die Batterie entladen wird wird es eine der Klappen sein, da mit dem selben Kontakt auch die Kofferraumbeleuchtung eingeschaltet wird. Meistens hängt vorne rechts der Kontakt für die Fronthaube oder der Kabelbaum am hinteren linken Kofferraumscharnier ist blank und hat Massekontakt. Torsten
_________________ Überlebender der Abwrackprämie !
|
| So 21. Nov 2010, 09:26 |
|
 |
|
paul_stanley
Registriert: Mi 17. Dez 2008, 21:50 Beiträge: 147 Wohnort: pforzheim
|
 Re: Akustisches Signal für ZV
.....welches der beiden Module hinter dem Radioschacht ist für die ZV ? Bei meinem TF ist ganz unten ein Modul und auf halber Höhe nochmals eins.
|
| So 21. Nov 2010, 13:46 |
|
 |
|
rodriguezstyle
Registriert: Fr 19. Nov 2010, 14:09 Beiträge: 350 Wohnort: Stuttgart
|
 Re: Akustisches Signal für ZV
paul_stanley hat geschrieben: .....welches der beiden Module hinter dem Radioschacht ist für die ZV ? Bei meinem TF ist ganz unten ein Modul und auf halber Höhe nochmals eins. Denke mal der kasten mit der gelben wurfantenn dran.. Mal was anderes wo hast du den piepser her ? Conrad ? Klingt er ahnlich wie diese Amerikanischen Alarmanlagen ?
_________________ Gruß David
MGF MKII MPI (VVC umbau) mit "noch" 163.3 DIN-PS & 182,9 NM
Facebook
|
| Mo 22. Nov 2010, 10:10 |
|
 |
|
paul_stanley
Registriert: Mi 17. Dez 2008, 21:50 Beiträge: 147 Wohnort: pforzheim
|
 Re: Akustisches Signal für ZV
..der lag bei unserem Elektriker auf der Werkbank rum und er hatte keinen Verwendungszweck dafür. Der Piepser hört sich nicht wie bei einem US Auto an.
Gruss Martin
|
| Mo 22. Nov 2010, 19:28 |
|
 |
|
Ponaldo77
Registriert: Mi 8. Sep 2010, 19:39 Beiträge: 28 Wohnort: 18239 Heiligenhagen
|
 Re: Akustisches Signal für ZV
Rumpel hat geschrieben: Wenn es beim Verriegeln nicht blickt, dann fehlt ein Kontaktsignal, bzw. es ist noch ein Kontakt geschlossen. Da gleichzeitig die Batterie entladen wird wird es eine der Klappen sein, da mit dem selben Kontakt auch die Kofferraumbeleuchtung eingeschaltet wird. Meistens hängt vorne rechts der Kontakt für die Fronthaube oder der Kabelbaum am hinteren linken Kofferraumscharnier ist blank und hat Massekontakt. Torsten Danke für die Info ! Es lag wirklich daran ! Das Kabel,vom Schalter für die Motorhaube war ab, dadurch brannten wohl immer die Lampen von vorne und im Kofferraum !! Puh, danke nochmal !
|
| Mi 24. Nov 2010, 19:05 |
|
 |
|
an9el
Registriert: Fr 26. Dez 2008, 16:41 Beiträge: 482
|
 Re: Akustisches Signal für ZV
also wie nun? kann das mal jemand zusammenfassen?
auf orange ist plus beim schliessen.
auf rosa ist plus beim öffnen?
wie lange ist da eigentlich strom drauf? will auch nen summer oder sowas anschliessen, müsst aber wissen wie lange der dann nen ton von sich gibt, wenns nur kurz ist dann macht er sowieso nur nen "chirp" und wenns länger ist hab ich ein unangenehmens "bssssssssssss".
und wo kann man das nun anschliessen, abgesehen von innerhalb der tür? sind die kabel auch irgendwo im "motorraum" oder bei der mittelkonsole zugänglich?
_________________ gruss an9el ___________________ ROVER _MGF_ 1.8 VVC
52er DK,Metallkat, Romulus Sportauspuff,Off.Luftfilter, Low.Knuckles,Compl.Washers, Trophy-Scheinwerfer (Xenon), Smoked Lexus-Rückleuchten, Nebelscheinwerfer, usw.
Mein MGF - Daten & Bilder
|
| Do 25. Nov 2010, 01:39 |
|
 |
|
rodriguezstyle
Registriert: Fr 19. Nov 2010, 14:09 Beiträge: 350 Wohnort: Stuttgart
|
 Re: Akustisches Signal für ZV
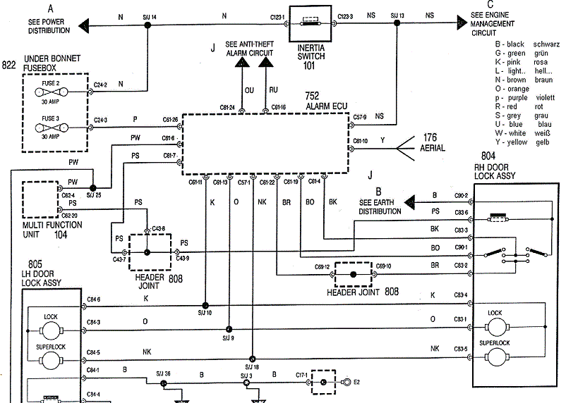
also nur auf Orange und Masse einen summer anschliesen sollte klappen.. wenn man es nur beim schliesen hören will.. wollte versuchen das ding hier umzubauen da ich kein Mega chirp Module mit steuergerät brauche http://cgi.ebay.de/ws/eBayISAPI.dll?Vie ... K:MEWNX:ITschon einer elfolgreich gemodded das man nur das Chirp zu hören kriegt ? werds mal testen und berichten wenns klappt...
Dateianhänge:
alarm_ecu_door_lock.gif [ 51.03 KiB | 12647-mal betrachtet ]
_________________ Gruß David
MGF MKII MPI (VVC umbau) mit "noch" 163.3 DIN-PS & 182,9 NM
Facebook
|
| Do 25. Nov 2010, 02:06 |
|
 |
|
an9el
Registriert: Fr 26. Dez 2008, 16:41 Beiträge: 482
|
 Re: Akustisches Signal für ZV
na dann berichte mal. am besten wär natürlich ne lösung die beim auf- und zumachen nen ton von sich gibt, am besten natürlich einen anderen ton, so wie paul es haben wollte. funktioniert das paul / martin? nenene, wie red ich dich nun an? ich find das immer komisch, wenn man im nick sich anders nennt als dann in der signatur 
_________________ gruss an9el ___________________ ROVER _MGF_ 1.8 VVC
52er DK,Metallkat, Romulus Sportauspuff,Off.Luftfilter, Low.Knuckles,Compl.Washers, Trophy-Scheinwerfer (Xenon), Smoked Lexus-Rückleuchten, Nebelscheinwerfer, usw.
Mein MGF - Daten & Bilder
|
| Do 25. Nov 2010, 12:00 |
|
 |
|
Volker
Registriert: So 21. Dez 2008, 22:56 Beiträge: 238 Wohnort: Mannheim
|
 Re: Akustisches Signal für ZV
@angel, lies mal meine Fred etwas weiter oben!
_________________ MFG Volker
|
| Do 25. Nov 2010, 14:23 |
|
|