| Autor |
Nachricht |
|
Purche
Registriert: Mo 23. Feb 2009, 17:15 Beiträge: 94 Wohnort: 15745 Wildau
|
 Kühlmittelstand LoAlarm II
Hallo... Eines der "beliebtesten" Themen, die Kühlmitelstandsanzeige. Hat jemand dieses Teil, LoAlarm II, aus der Seite: http://lolarm.co.uk/ eingebaut? Der Einbau scheint sehr einfach zu sein und die Idee finde ich auch gut. Ob das auch funktioniert, weiß man am besten, wenn schon jemand diesen Kitt erfolgreich eingebaut hat und vielleicht darüber berichten kann. Grüße Euch Bernd
|
| So 22. Apr 2012, 19:51 |
|
 |
|
Comeo
Registriert: So 13. Mär 2011, 20:36 Beiträge: 446 Wohnort: Rostock
|
 Re: Kühlmittelstand
Hi, das Teil kenne ich nicht, aber die Bilder hinter dem Link sehe mir komplizierter aus als das Teil von Brown & Gammons. Siehe hier http://www.ukmgparts.com/product.aspx?C ... f29941307a mal nach. Das kostet zwar ein bisschen mehr hat aber einen viel einfacheren Kabelbaum. Und wenn man nicht Farbenblind ist, ist das Label des Getriebes einfach zu finden. Habe bis auf besagtes Teil nicht länger als 40 Minuten gebraucht. 
_________________ Gruß Sebastian
Carpe Diem - am besten mit einem MGTF
|
| Mo 23. Apr 2012, 10:31 |
|
 |
|
pascal
Registriert: Mi 17. Dez 2008, 23:00 Beiträge: 1098 Wohnort: Luxusburg
|
 Re: Kühlmittelstand
Der LoAlarm ist aus einer Bastelei eines englischen MGF Besitzers entstanden. Wird womöglich seinen Zweck erfüllen jedoch habe ich auch folgendes im Netz ( http://www.british-cars.net)gefunden: >>I would not recommend a loalarm though they are hand made and a little to delicate for long term use. I would recommend the B&G as it is based on MG Rover components fitted to production TF's from 2005. I now have a hybrid of Loalarm with MG Rover tank and sensor, the Loalarm sensor having fallen apart. Dave<< Ich habe die Version von B&G.
_________________ MG TF135 Trophy Yellow tweaked by Kmaps << Es ist ein englisches Fahrzeug; das muss man als Besitzer erst fertigbauen ! >> Alles original. Es ist nur die streng limitierte MG-TF xPower Trophy Sonderedition (Nr.01/01) !!!
www.mgcarclub.lu
|
| Mo 23. Apr 2012, 13:09 |
|
 |
|
Salamander-69
Registriert: Mo 8. Aug 2011, 10:34 Beiträge: 242 Wohnort: Reutlingen
|
 Re: Kühlmittelstand
Was ist denn das für ein schwarzer Kasten am Ende des Kabelbaums ????? Grüße Christine Dateianhang:
bg.png [ 232.22 KiB | 8478-mal betrachtet ]
_________________ Hier parkt mein Cool Blue!
|
| Mo 23. Apr 2012, 15:54 |
|
 |
|
pascal
Registriert: Mi 17. Dez 2008, 23:00 Beiträge: 1098 Wohnort: Luxusburg
|
 Re: Kühlmittelstand
Da steckt die Elektonik drin.
_________________ MG TF135 Trophy Yellow tweaked by Kmaps << Es ist ein englisches Fahrzeug; das muss man als Besitzer erst fertigbauen ! >> Alles original. Es ist nur die streng limitierte MG-TF xPower Trophy Sonderedition (Nr.01/01) !!!
www.mgcarclub.lu
|
| Mo 23. Apr 2012, 16:22 |
|
 |
|
mike26dd
Registriert: Di 4. Jan 2011, 15:22 Beiträge: 636 Wohnort: Dresden
|
 Re: Kühlmittelstand
Das Set auf dem Bild hab ich bei mir auch verbaut ist echt super!!!!
_________________ MG TF 135 Cool Blue BJ 2004
Lexus smoked Rückleuchten Smoked dritte Bremsleuchte Transportbox Chromtankdeckel Chrom Türschließbleche Heckträger mit Koffer Lenkradfernbedienung Elektrischer Kofferraumöffner
T4 Testbook Originale Hydragaspumpe
|
| Mo 23. Apr 2012, 17:24 |
|
 |
|
Salamander-69
Registriert: Mo 8. Aug 2011, 10:34 Beiträge: 242 Wohnort: Reutlingen
|
 Re: Kühlmittelstand
pascal hat geschrieben: Da steckt die Elektonik drin. Was denn für ne Elektronik??? Das ist doch eigentlich nix anderes als ein Pegelschalter, oder? Wasser da, Lampe aus. Wasser weg, Lampe an. Wozu brauchen die eine Elektronik?? Grüße Christine
_________________ Hier parkt mein Cool Blue!
|
| Di 24. Apr 2012, 09:39 |
|
 |
|
bohli
Registriert: Mi 17. Dez 2008, 23:49 Beiträge: 1139 Wohnort: Rockenhausen
|
 Re: Kühlmittelstand
Ganz einfach... Wenn das nur Wasser da - Wasser weg anzeigen würde, hättest Du in jeder schnell gefahrenen Kurve ein PIEP. Genauso beim Anfahren und Bremsen.
Die Elektronik verhindert das und bringt erst dann einen Alarm, wenn das Wasser über einen längeren Zeitraum weg ist.
_________________ MG F VVC / 1999 / tahiti blue 23. Hunsrücktreffen 2025 ==> der Thread zum Treffen HOMEPAGE Hunsrücktreffen
|
| Di 24. Apr 2012, 10:55 |
|
 |
|
Salamander-69
Registriert: Mo 8. Aug 2011, 10:34 Beiträge: 242 Wohnort: Reutlingen
|
 Re: Kühlmittelstand
Und dafür so einen Kasten???? Das kann man per SMD direkt in einem Stecker mit verbauen. Mannomann, das die Engländer immer alles so groß und lernresisdent bauen müssen. Grüße Christine
_________________ Hier parkt mein Cool Blue!
|
| Di 24. Apr 2012, 11:12 |
|
 |
|
Dieter
Registriert: Di 11. Nov 2008, 00:19 Beiträge: 5192 Wohnort: Waldhessen
|
 Re: Kühlmittelstand
Ja denn mach doch mal NE555 und 'n bischen Treiber IC..... Wir haben aber vor Jahren auch schon den Roland .... hier gehabt, der hat'ne Schaltung mit nem PIC gemacht, die ging per Sammelbestellung raus. Hab ich auch noch irgendwo liegen und immer noch nicht fertig drin (LOL)
_________________ Gruß Dieter MGF/TF http://www.mgfcar.de Kein Support über E-Mail oder PM, Fragen bitte im Forum stellen!
|
| Di 24. Apr 2012, 11:33 |
|
 |
|
Salamander-69
Registriert: Mo 8. Aug 2011, 10:34 Beiträge: 242 Wohnort: Reutlingen
|
 Re: Kühlmittelstand
Das allereinfachste ist eine Einschaltverzögerung und fertig. 30Sek?
Grüße Christine
_________________ Hier parkt mein Cool Blue!
|
| Di 24. Apr 2012, 11:40 |
|
 |
|
Dieter
Registriert: Di 11. Nov 2008, 00:19 Beiträge: 5192 Wohnort: Waldhessen
|
 Re: Kühlmittelstand
Richtig. 99 Punkte, aber die Zeit ist zu lang, da ist der Motor schon kaputt  Musste ausprobieren. Ich habe bei mir 0 Sekunden. Einfach einen Pieper mit minimaler Stromaufnahme direkt an den Original Reed Schalter (Sensor) geklemmt, da weiss man dann auch akustisch, wenn man eine scharfe Kurve bei relativ niedrigem Kühlmittelstand fährt ... Tony fährt glaub ich so mit 10-15 Sekunden rum Gibts ja alles, muß man nur wissen http://www.apttony.co.uk/Servicing/WarningLights.htmlWenn du was basteln willst; hier gibt's auch Threads mit einem Ausdehnungspott vom Polo und analogen Sensor wo ein Komparator gefragt wäre. User British Steel ist da hoch kompetent 
_________________ Gruß Dieter MGF/TF http://www.mgfcar.de Kein Support über E-Mail oder PM, Fragen bitte im Forum stellen!
|
| Di 24. Apr 2012, 12:00 |
|
 |
|
pascal
Registriert: Mi 17. Dez 2008, 23:00 Beiträge: 1098 Wohnort: Luxusburg
|
 Re: Kühlmittelstand
Nicht quatschen. MACHEN! 
_________________ MG TF135 Trophy Yellow tweaked by Kmaps << Es ist ein englisches Fahrzeug; das muss man als Besitzer erst fertigbauen ! >> Alles original. Es ist nur die streng limitierte MG-TF xPower Trophy Sonderedition (Nr.01/01) !!!
www.mgcarclub.lu
|
| Di 24. Apr 2012, 12:20 |
|
 |
|
Salamander-69
Registriert: Mo 8. Aug 2011, 10:34 Beiträge: 242 Wohnort: Reutlingen
|
 Re: Kühlmittelstand
pascal hat geschrieben: Nicht quatschen. MACHEN!  Was soll man bei 0 Sekunden "bauen". Schalter, Kabel, Lampe - fertig! Grüße Christine
_________________ Hier parkt mein Cool Blue!
|
| Di 24. Apr 2012, 12:39 |
|
 |
|
Tawineu
Registriert: Fr 13. Aug 2010, 22:29 Beiträge: 1324 Wohnort: Neustadt an der Weinstraße
|
 Re: Kühlmittelstand
Hier wird doch nur erzählt und nix gemacht! 
_________________ -------------------------------------------------- Gruß Tassilo
MGF/TF Rover 75/MG ZT 260 http://www.mg-stammtisch-rnm.de <<Life's too short not do!>>
|
| Di 24. Apr 2012, 13:59 |
|
 |
|
MG_11
Registriert: Do 18. Dez 2008, 07:41 Beiträge: 154
|
 Re: Kühlmittelstand
ca. 8 bis 9 Sekunden als Verzögerung stellen meiner Meinung und 4jähriges Erfahrung nach das Optimum dar. (Auch mit ner Mircoplatine und nem 555 gelöst) und dem hier: viewtopic.php?f=4&t=935Post 4 und 11. Grüßle Thomas
|
| Di 24. Apr 2012, 14:38 |
|
 |
|
Salamander-69
Registriert: Mo 8. Aug 2011, 10:34 Beiträge: 242 Wohnort: Reutlingen
|
 Re: Kühlmittelstand
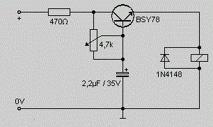
Mal auf die Schnelle: Dateianhang:
verzgng.gif [ 7.99 KiB | 8326-mal betrachtet ]
Verzögerung sollte bei ca. 2 Sekunden liegen. Grüße Christine
_________________ Hier parkt mein Cool Blue!
|
| Di 24. Apr 2012, 15:17 |
|
 |
|
Michael N.
Registriert: So 22. Feb 2009, 20:26 Beiträge: 1537 Wohnort: Düren, NRW
|
 Re: Kühlmittelstand
Dieter hat geschrieben: NE555 und 'n bischen Treiber IC..... Wir haben aber vor Jahren auch schon den Roland .... hier gehabt, der hat'ne Schaltung mit nem PIC gemacht, die ging per Sammelbestellung raus. Hab ich auch noch irgendwo liegen und immer noch nicht fertig drin (LOL) Ja, die Platine von Roland habe ich mir damals auch ergattert und auch verbaut  . Funktioniert ganz gut das Teil  , da ist sogar ein Selbstest berücksichtigt der die Warn LED oder den Piepser regelmäßßig auf Funktion prüft und es lassen sich mehrere Konfigurationen per Dip-Schalter einstellen. Wen es interessiert, hab hier mal die PDF Datei vom Roland, wie das ganze funktioniert (Schaltplan und Stückliste) und aufgebaut ist, hochgeladen. Das einzige Problem dürfte wohl das programmieren des Mikrocontroller sein. 
_________________ Gruß, Michael MGF/TF Stammtisch Köln
Bremsen macht die Felgen dreckig!
|
| Di 24. Apr 2012, 18:41 |
|
 |
|
MG_11
Registriert: Do 18. Dez 2008, 07:41 Beiträge: 154
|
 Re: Kühlmittelstand
@saöamander-69 2 Sekunden sind definitiv zu kurz für zügig gefahrene Kurven.
Grüzi Thomas
|
| Mi 25. Apr 2012, 09:04 |
|
 |
|
Salamander-69
Registriert: Mo 8. Aug 2011, 10:34 Beiträge: 242 Wohnort: Reutlingen
|
 Re: Kühlmittelstand
Dann einfach einen größeren Kondensator nehmen. Z.B. 4µF Mit dem Poti kann ja auch noch etwas reguliert werden.
Grüße Christine
_________________ Hier parkt mein Cool Blue!
|
| Mi 25. Apr 2012, 09:54 |
|
|