Aktuelle Zeit: Mo 12. Jan 2026, 07:34




Ein neues Thema erstellen Auf das Thema antworten  [ 10 Beiträge ] 
ECU defekt braun-rosa Kabel schaltet nicht ab ECU Ruhestrom 
Autor Nachricht
Benutzeravatar

Registriert: Di 11. Nov 2008, 00:19
Beiträge: 5193
Wohnort: Waldhessen
Beitrag ECU defekt braun-rosa Kabel schaltet nicht ab ECU Ruhestrom
Tach,
hatte heute mal im Rahmen der Nachbarschaftshilfe und allgemeiner technischer Neugier ein, zwei Blicke in Robins MGF mpi werfen können.

Die alte Möhre (das Auto, nicht der Robin) hat ein paar Probleme, von denen das folgende wohl ernsthafter ist.

#1
Die Batterie wird ständig entladen, Nach einer Woche Standzeit ist die leer.

Was wurde bisher gemacht:
Batterie getauscht, Hauptrelaisblock getauscht, Lichtmaschinenanschlüsse und Batteriemasseanschluß gecheckt. Ladespannung gecheckt.
Alles OK, die Batterie wird ordentlich geladen.
Leuchten rundum gecheckt, alles dunkel, keine parasitären Verbraucher zu finden:

Blieb der worst-case:
ECU Nr MKC104110 defekt ?
Also haben wir dann mal ein Voltmeter an das braun-rosa +Kabel beim Spülluftventil drangehängt. Motor ausgemacht. WFS eingeschaltet und gewartet...... Kaffee getrunken, ... gewartet ....
Über eine halbe Stunde später war der Draht immer noch life, +12 Volt....

Ich denke mal, das ist es ?
So wie auch in diesen Threads bei den MG Rover Forum Freunden zu finden:
http://forum.mg-rover-freunde.de/index. ... #msg364848
http://forum.mg-rover-freunde.de/index. ... 364.0.html Ruhestrom

Fragen:
weiss jemand was besseres als mal das ECU gegen ein anderes zu tauschen und da die WFS anzulernen, um das mit dieser MAcke zu verifizieren ?
Ein Nachfolger aus MPI MKC104112 sollte passen ?

Wer im Raum Kassel/Fulda hätte die Möglichkeit eine WFS mit Testbook an ein ECU anzulernen ?
( ausser denen hier http://www.mgfcar.de/data/MG_Rover_Workshop_DE.pdf )
Gibt's noch irgendwo Firmen, die ECU's reparieren ?
Wer hat ein intaktes MPI ECU MKC104112 anzubieten ?


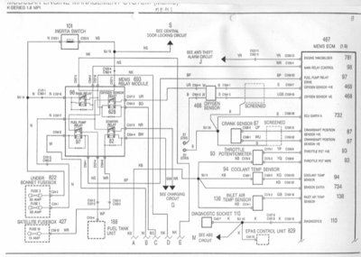
Dateianhänge:
Dateikommentar: MPI ECU Teil1
sb8.jpg
sb8.jpg [ 111.09 KiB | 9135-mal betrachtet ]
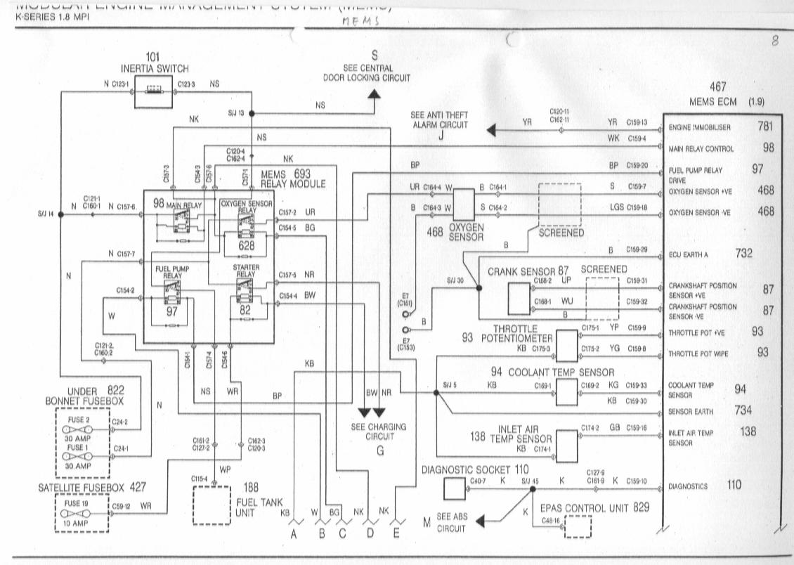
Dateikommentar: MPI ECU
sb9.jpg
sb9.jpg [ 103.58 KiB | 9135-mal betrachtet ]

_________________
Gruß
Dieter
MGF/TF http://www.mgfcar.de
Kein Support über E-Mail oder PM, Fragen bitte im Forum stellen!
Fr 25. Jun 2010, 15:55
Profil Website besuchen
Benutzeravatar

Registriert: Mi 17. Dez 2008, 21:32
Beiträge: 1439
Wohnort: bei Stuttgart
Beitrag Re: ECU defekt ? braun-rosa Leitung schaltet nicht weg
bzgl. Steuergerätreparatur:
http://www.technikzentrum.net/steuergeraete.html
da mal nachfragen.

***************************************
Mod: Antwort: Danke, habe dort soeben per Email mit Robins ECU Daten angefragt
**************************************

_________________
Gruss
Andreas TF160

TF160, MY2005,
x-power-grey


Fr 25. Jun 2010, 15:58
Profil
Benutzeravatar

Registriert: Di 11. Nov 2008, 00:19
Beiträge: 5193
Wohnort: Waldhessen
Beitrag Re: ECU defekt ? braun-rosa Leitung schaltet nicht weg
http://www.bba-reman.com/content.aspx?c ... Ihr_Geraet
>> 200 EURO ? .. müsste halt mal einer anrufen

http://autotekelectronics.com/newautote ... =MKC104112
103 EURO ? Schnäppchen, falls die es können

UK
http://www.middlesextuningcentre.co.uk/ecu-mg.htm
176 Pfund

_________________
Gruß
Dieter
MGF/TF http://www.mgfcar.de
Kein Support über E-Mail oder PM, Fragen bitte im Forum stellen!


Fr 25. Jun 2010, 17:24
Profil Website besuchen
Benutzeravatar

Registriert: Di 11. Nov 2008, 00:19
Beiträge: 5193
Wohnort: Waldhessen
Beitrag Re: ECU defekt ? braun-rosa Leitung schaltet nicht weg
Ich nochmal mit noch einer fixen Idee. Das gibt ja bundesweit einige Testbook Spezialisten....
Hat schon mal einer überlegt, sich eine Art Programmierstand aufzubauen, um :

Ein WFS-Alarm ECU nebst Sendern & ein Motor ECU (MPI & VVC) & 12 V Batterie unabhängig vom Auto als Testaufbau zusammenzuklemmen und anzulernen ?
Keine Ahnung was dazu alles angeschlossen sein muß, sollte aber lösbar sein.
Kann doch unter Verwendung von zerrupften Original Kabelbäumen eigentlich nicht so schwierig sein ?
Dann könnte man doch den Kram im Versandumlauf verheiraten und zurücksenden .... gegen 'Erstattung der Auslagen' selbstverfreilich.

_________________
Gruß
Dieter
MGF/TF http://www.mgfcar.de
Kein Support über E-Mail oder PM, Fragen bitte im Forum stellen!


Fr 25. Jun 2010, 22:13
Profil Website besuchen
Benutzeravatar

Registriert: Do 18. Dez 2008, 00:49
Beiträge: 1382
Wohnort: Le Chêne, Provence-Alpes-Côte d’Azur
Beitrag Re: ECU defekt ? braun-rosa Leitung schaltet nicht weg
Wenn das so inovativ weiter geht leben die F ewig. :up:

_________________
Dirk, der neu-Provinzler ;-)


Fr 25. Jun 2010, 22:24
Profil
Benutzeravatar

Registriert: Di 11. Nov 2008, 00:19
Beiträge: 5193
Wohnort: Waldhessen
Beitrag Re: ECU defekt ? braun-rosa Leitung schaltet nicht weg
Nun stellt sich noch die Frage an ungeübte Testbook Bediener, die noch nie ein _gebrauchtes_ 120PS ECU BJ 99 in einen MGF 120PS Bj 97 verpflanzt haben, weil man sich nur mit Austausch von Neuteilen auskennt:

Wie geht das: Ich fang mal an, und wer's weiss macht fertig:

1. ECU Stecker ziehen, Kabelbefestigung/Kabelbinder unten am Winkel beachten
Vacuumschlauch abziehen
Winkel mit ECU abschrauben,
ECU.alt abschrauben, auf Stecker vom Hauptrelais achten.
2. ECU.neu anschrauben,
Winkel mit ECU anschrauben
Stecker rein, auf Kabelbefestigung (unten) achten
Vacuumschlauch anstecken
3. Sicherungsfelddeckel runterklappen um die Wegfahrsperre anzulernen.

---- Testbook Kabelsatz anstecken ..... weiter weiß ich nicht
------ ??
--------

Ende 1:
Zündung an, WFS mit Sender synchronisieren (4xlock), Motor starten, alles gut.

Wenn Motor nicht anspringt und Benzinpumpe nicht läuft, nochmal Hauptrelaisstecker checken, und wenn's dann immer noch nicht geht:
Dann ist das ECU.neu leider kaputt.

Ende 2:
Wegen defektem ECU ärgern, ECU.alt wieder wie bei (2) beschrieben umbauen.
Keine Testbookaktion weiter nötig.

Dafür hat man dann nun zwei ECU's wo die eingebaute WFS zwar angelernt ist, aber nichts geht

_________________
Gruß
Dieter
MGF/TF http://www.mgfcar.de
Kein Support über E-Mail oder PM, Fragen bitte im Forum stellen!


Mi 30. Jun 2010, 22:19
Profil Website besuchen
Benutzeravatar

Registriert: Fr 13. Aug 2010, 22:29
Beiträge: 1331
Wohnort: Neustadt an der Weinstraße
Beitrag Re: ECU defekt braun-rosa Kabel schaltet nicht ab ECU Ruhest
Ich habe jetzt verstanden, bei einem ECU Tausch muss das "neue" mit einem Testbook angelernt werden. Das erklärt warum bei mir nach einem Tausch die Maschine startete und gleich wieder ausging.

_________________
--------------------------------------------------
Gruß Tassilo

MGF/TF
Rover 75/MG ZT 260
http://www.mg-stammtisch-rnm.de
<<Life's too short not do!>>


Mi 11. Mai 2011, 19:44
Profil Website besuchen
Benutzeravatar

Registriert: Do 18. Dez 2008, 16:38
Beiträge: 1201
Wohnort: MZ
Beitrag Re: ECU defekt braun-rosa Kabel schaltet nicht ab ECU Ruhest
Mal ne ganz blöde Idee - kann man denn nicht die Leitung einfach mit einem Zeitrelais über Schaltplus steuern bzw unterbrechen ? Also Zündung an - Relais zieht an - Zündung aus 5 minuten später Relais fällt ab ? Sowas ist in 2 Minuten zusammengelötet : )

Gruss, Gallex.

_________________
Quattro bedeutet daß man erst dort steckenbleibt wo kein Abschleppwagen mehr hinkommt : )


Mi 18. Mai 2011, 17:21
Profil
Benutzeravatar

Registriert: Sa 28. Aug 2010, 21:45
Beiträge: 467
Wohnort: Düsseldorf
Beitrag Re: ECU defekt braun-rosa Kabel schaltet nicht ab ECU Ruhest
Klar, kann man. Aber was genau willst du dann abschalten? Das Ecu selber verbraucht doch den Strom. ( Wenn ich mich nicht irre ) Und wenn du per Relais den Strom des Ecus killst wirst du Ärger haben mit deiner Wegfahrsperre. Mal abgesehen davon daß du dann wohl auch keine Alarmanlage mehr hast.

Wenn ich das richtig verstanden habe kann man an besagtem Kabel messen ob der Ecu in den Ruhemodus fährt oder nicht. Wenn lediglich diese Leitung abzuschalten wäre würde das funktionieren.

Viele Grüße,
Markus

_________________
"Woher soll ich wissen was ich denke bevor ich höre was ich sage?" - Marilyn Monroe

Mein F musste leider nem TF weichen.


Mi 18. Mai 2011, 18:28
Profil
Benutzeravatar

Registriert: Do 18. Dez 2008, 16:38
Beiträge: 1201
Wohnort: MZ
Beitrag Re: ECU defekt braun-rosa Kabel schaltet nicht ab ECU Ruhest
Ahh - ok .. ich dachte das wäre ein Schaltausgang was nicht abgeschaltet wird. Dann macht es natürlich keinen Sinn - schade.

Gruss, Gallex

_________________
Quattro bedeutet daß man erst dort steckenbleibt wo kein Abschleppwagen mehr hinkommt : )


Do 19. Mai 2011, 09:14
Profil
Beiträge der letzten Zeit anzeigen:  Sortiere nach  
Ein neues Thema erstellen Auf das Thema antworten  [ 10 Beiträge ] 


Wer ist online?

Mitglieder in diesem Forum: 0 Mitglieder und 12 Gäste


Du darfst keine neuen Themen in diesem Forum erstellen.
Du darfst keine Antworten zu Themen in diesem Forum erstellen.
Du darfst deine Beiträge in diesem Forum nicht ändern.
Du darfst deine Beiträge in diesem Forum nicht löschen.
Du darfst keine Dateianhänge in diesem Forum erstellen.

Suche nach:
Gehe zu:  
cron
Powered by phpBB © phpBB Group.
Designed by Vjacheslav Trushkin for Free Forums/DivisionCore.
Deutsche Übersetzung durch phpBB.de